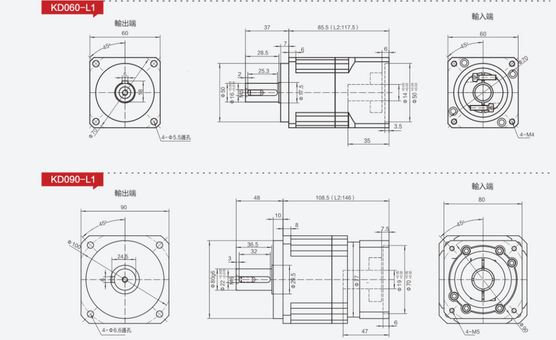
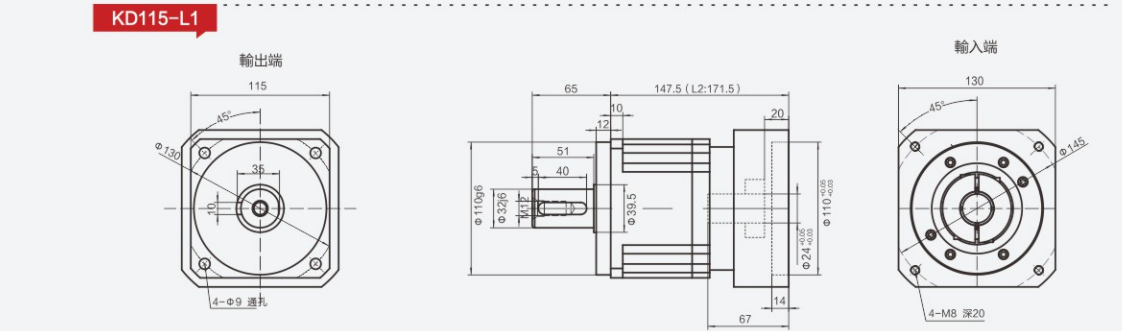
随着电子、半导体、工业自动化设备在精密度及数位化控制的需求下,伺服或步进马达已是相当普及,应用层面甚广。因此各类型精密減速箱不论在机构定位精度、提高转矩或节省安装空间等,都已变成伺服马达或步进马达几乎必搭配之元件。
伺服马达或步进马达搭配減速急之用意为:降低转速、高转矩化、高解析度、增加马达转子惯性矩,提高刚性缩短启动及停止定位时间,马达功率小型化,同时提高惯性负载的安定性与降低振动的优点






必赢网络游戏平台是一家集研发、制造、销售服务于一体的高新科技企业。是由一群拥有工作热忱及自动化经验丰富的专业人士组成的工作团队。自成立以来,一直致力于精准定位滑台、中空旋转平台、控制器(PLC一体机)以及电子伺服等自动化传动元件的自主研发和应用。
查看详细必赢网络游戏平台是一家集研发、制造、销售服务于一体的高新科技企业。是由一群拥有工作热忱及自动化经验丰富的专业人士组成的工作团队。自成立以来,一直致力于精准定位滑台、中空旋转平台、控制器(PLC一体机)以及电子伺服等自动化传动元件的自主研发和应用。
查看详细随着电子、半导体、工业自动化设备在精密度及数位化控制的需求下,伺服或步进马达已是相当普及,应用层面甚广。因此各类型精密減速箱不论在机构定位精度、提高转矩或节省安装空间等,都已变成伺服马达或步进马达几乎必搭配之元件。
伺服马达或步进马达搭配減速急之用意为:降低转速、高转矩化、高解析度、增加马达转子惯性矩,提高刚性缩短启动及停止定位时间,马达功率小型化,同时提高惯性负载的安定性与降低振动的优点






Tags :